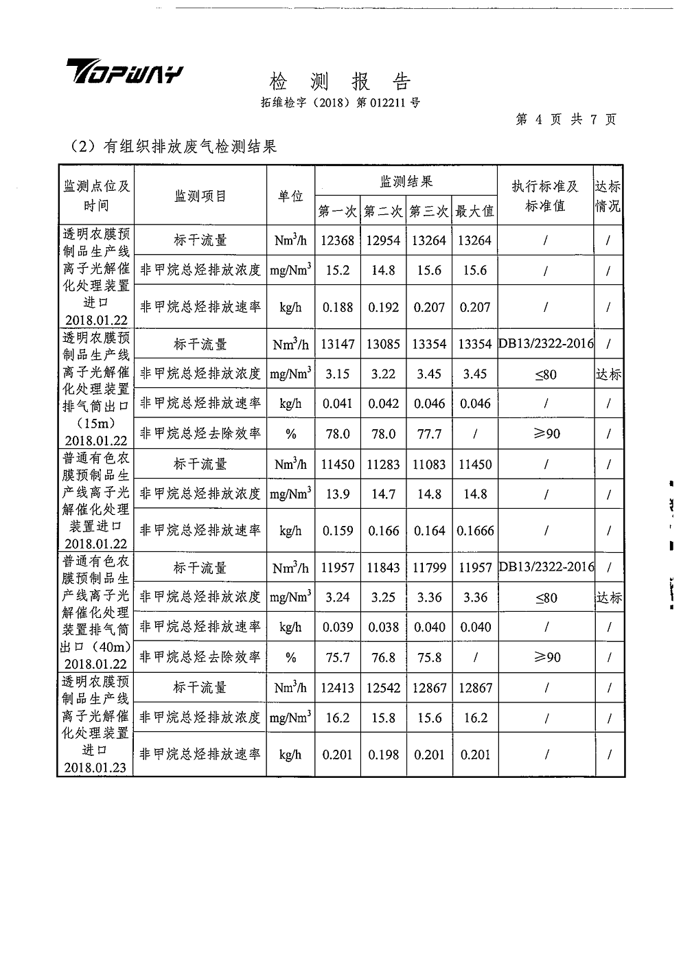
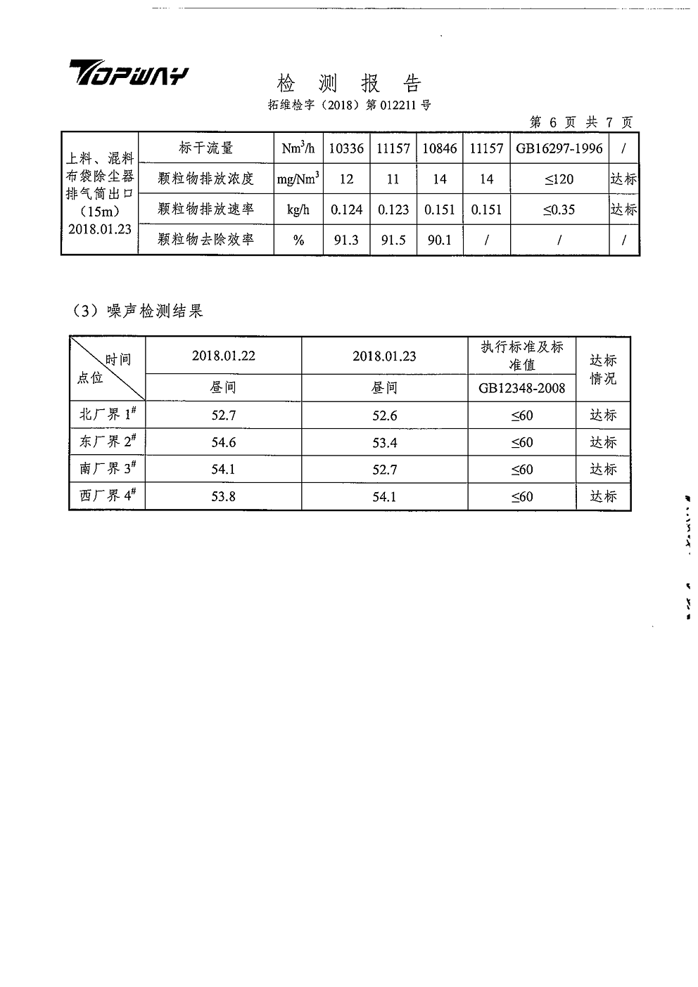
科伦检测报告
点击数:72102018-04-23 14:30:00 来源: 科伦塑业集团股份有限公司|农用薄膜|po膜|转光膜|EVA消雾膜|高效日光膜|棚膜|地膜|包装膜|土工膜|









【责任编辑:】(Top) 返回页面顶端
最新新闻
- 感恩有你 龙马精神 [2026-02-11]
- 投资设立海南进出口贸易公司 [2025-12-09]
- 传承红色精神,凝聚奋进力量 [2025-10-29]
- 科伦塑业集团股份有限公司 继续 [2025-05-29]
- 中塑协王占杰理事长到科伦集团调 [2025-03-05]
- 喜报:荣获中国轻工科技进步一等 [2025-01-22]
- 互信·共赢 —山西客商组团“溯 [2024-12-10]
- 科伦塑业集团股份有限公司获评河 [2024-11-06]
- 欢度国庆 为青春加油 [2024-10-09]
- 科伦塑业集团股份有限公司祝大家 [2024-10-01]
- 沙特SABIC石化公司到我公司 [2024-07-15]
- 科伦塑业集团股份有限公司 继续 [2024-07-03]


